
SDC1215是一款高精度低功耗霍尔开关,应用于磁场检测,给出相应的数字输出。在1.85V时的典型功耗小于4uW,因此非常适用于低耗电产品,可用于优先考虑功耗的电池供电系统,如触屏式手机,平板电脑,笔记本电脑等。
此产品具有精准的磁性开关切换点,而且其对于工艺差异和温度变化的灵敏度低。采用小型的SOT-23-3。
特点:
- 极低的功耗设计
- 工作电压范围:1.65V~5.5V
- 输出方式:CMOS输出,斩波放大器设计,对因工艺、工作温度和机械应力产生的噪声和失调敏感度低,不区分磁场极性,N极和S极均可使用
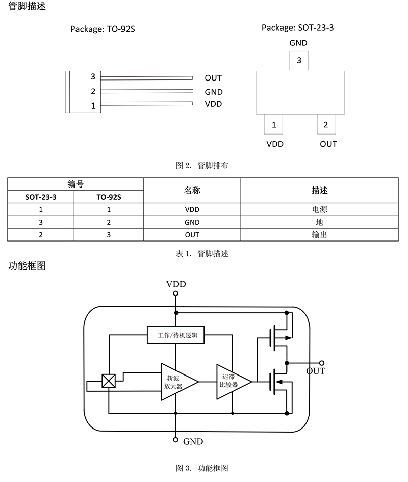
- 封装形式:SOT-23-3、TO-92S
应用:
- 触屏式手机、平板电脑
- 笔记本电脑、数码相机
- 玩具、游戏机
- 家用电器


 
            
